CS620-Ex
-
亮點
-
參數
-
圖紙
-
相關資源
-
相關產品
產品參數
-
技術參數
-
關節參數
-
物理參數及認證
-
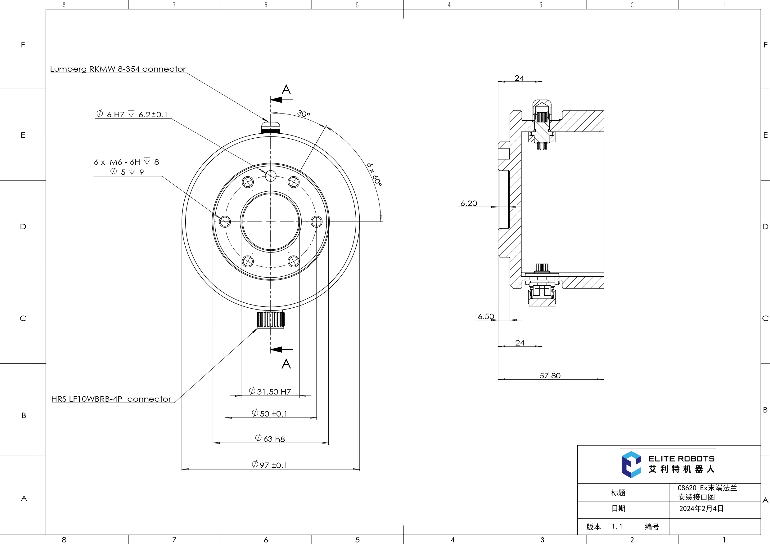
配件型號
-
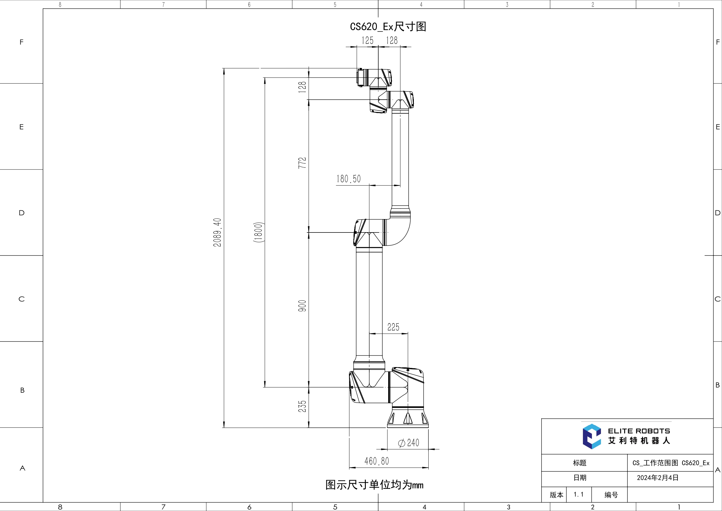
名稱 參數 自由度 6 負載 20kg 工作半徑 1800mm 重復定位精度 ±0.05mm 典型功耗 695W 安裝方式 任意角度
-
關節運動范圍 關節最大速度 基座 ±360° 125°/s 肩部 ±360° 125°/s 肘部 ±360° 150°/s 腕部1 ±360° 210°/s 腕部2 ±360° 210°/s 腕部3 ±360° 210°/s 最大工具速度 3.9m/s 3.9m/s
-
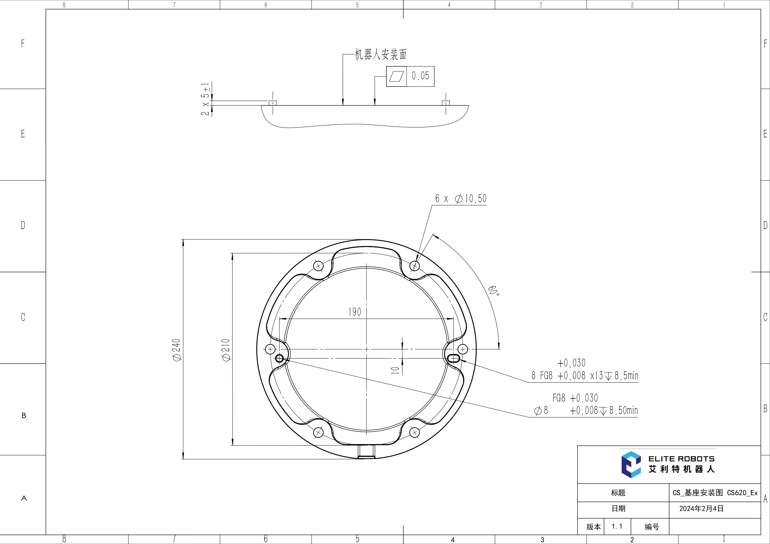
名稱 參數 自重 60kg 底座直徑 Φ240mm IP防護等級 IP68 工作環境溫度 -10℃ ~ 50℃ 工作環境濕度 90%相對濕度(非冷凝) 材料 鋁合金、鋼、塑料、橡膠 標準線纜長度 5.5m 防爆標志 Ex db eb ib mb pxb IIC T4 Gb, Ex ib mb pxb tb IIIC T130℃ Db
-
名稱 參數 控制柜 ERB1C4K0X 示教器 ERP400 全能示教器(選配) ERP400S
